GB18582-2008《室内装饰装修材料 内墙涂料中有害物质限量》已经公布,要求在2008年10月开始执行,以替代G B18582-2001版标准。新标准与原标准的最大区别是挥发性有机化合物(V O C)的测定方法不同,原标准中V O C的测定方法是用烘干法测出涂料的总挥发分,再减去涂料中的水分,即得V O C含量。
新标准是用毛细色谱法分别测定出涂料中所有初沸点低于或等于250 ℃的有机化合物的量,然后加和得VOC含量中国涂料在线coatingol.com。水分的测定仍然采用气相色谱法或卡尔-费休法。
G B18582-2001标准是国家首次颁发的关于内墙涂料中有害物质限量的标准,是强制性标准,它的贯彻执行大大地提高了涂料行业全员的环保意识。在贯彻执行中,内墙涂料V O C的测定方法引起了广泛关注,对测定方法的准确性提出了质疑,并进行探讨[1-4],一致认为(现行)V O C的检测方法用于乳胶漆不准确,检测结果与计算值相比时高时低。同一样品在不同检测单位(广东、北京、常州)的测定结果相差太大,重现性、再现性都很差。
文献[2]的作者认为,水性涂料V O C测定中最主要的误差来源于水分的测定,原因是标准中提出的用气相色谱法和卡尔-费休法测定涂料中40%左右的水分不合适,因为气相色谱法测定时会带来5%~10%的相对平均偏差(但也有人[5]认为可以做到小于0.3%),因此,当前涂料中VOC的测定亟待解决的是高含量水分测量的准确度问题,应尽快研究出一种高含量水分的准确的测量方法。
我们在新标准的执行中,重点是设法提高气相色谱法测量水分的重现性,减少测量误差,获得了比较满意的结果。
1.1 挥发性有机化合物测定——气相色谱法
1.1.1 材料与试剂
载气:高纯氮;
燃气:高纯氢;
助燃气:空气,由气体发生器提供;
稀释剂:甲醇;
内标物:乙二醇单丁醚;
标记物:涂料中的醇酯-12(沸点255 ℃);
丙二醇:含量≥99%。
1.1.2 仪器设备
G C-7890F气相色谱仪,上海天美仪器有限公司;
N2000色谱工作站,浙大智达信息工程有限公司;
注射器:10 μL、1 mL、10 mL玻璃注射器;
配样瓶:10 mL(青霉素小瓶)、100 mL具有可密封胶塞的玻璃瓶;
电子分析天平:精度0.1 mg;
台式离心机(上海安亭科学仪器):最大转速5 000 r/min。
1.1.3 色谱条件
进样温度(气化):250 ℃;
检测器:FID,温度200 ℃;
色谱柱:PEG20000,30 cm×0.32 mm×0.25 m;
柱温:定性分析采用程序升温(见1.1.4), 定量分析采用固定柱温160 ℃;
柱前压:0.08 MPa;
分流进样:分流比可调;
进样量:1.0 μL。
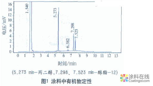
1.1.4 定性分析
于配样瓶中加入1 0 粒玻璃珠, 称取约0 . 8 g试样,加入4 m L甲醇,充分摇匀后放入离心机,以4 500 r/min离心10 min,取上层清液按下述条件进行定性分析。
采用程序升温:初始温度100 ℃,初始保留时间1 min,升温速率20 ℃/min,终止温度200 ℃,终温保留时间5 min。
用保留时间定性,样品中只有丙二醇和醇酯-12,其他物质都很微量,色谱图如图1。

涂料中有机物定性
1.1.5 定量分析
1.1.5.1 内标稀释剂的配制
于100 mL配样瓶中,加入60 mL甲醇并准确称其质量,密封,用1 m L注射器准确称取0.1 g乙二醇单丁醚注入配样瓶中,摇匀,计算乙二醇单丁醚的质量分数wis,待用。
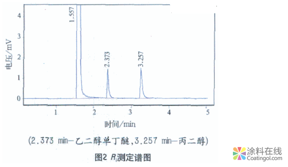
1.1.5.2 校正因子Ri的测定
1.1.5.2.1 标样配制
于配样瓶中准确称取丙二醇0.02 g(m c i),用10m L注射器取5 m L内标稀释剂注入配样瓶,准确称量,摇匀,备用,内标物的质量按式(1)计算:
mis =m内×wis (1)
式中:mis——内标物质量,g;
m内——内标稀释剂的质量,g;
wis——内标稀释剂中乙二醇单丁醚的质量分数,g/g。
1.1.5.2.2 R i的测定
待色谱条件稳定后,取1 μ L上述标样,注入色谱仪,典型色谱图如图2。

R i测定谱图
按式(2)计算丙二醇的相对质量校正因子R i:

式中:R i——丙二醇的相对质量校正因子;
mis——内标物的质量,g;
mci——丙二醇的质量,g;
A is——内标物的峰面积;
A ci——丙二醇的峰面积。
1.1.5.2.3 涂料中丙二醇质量分数wi的测定
于配样瓶中加入10粒玻璃珠,然后准确称取(0.8±0.1) g充分摇匀的涂料,用10 m L注射器加入5 m L内标稀释剂,加盖密封,准确称其质量后摇匀,按式(1)计算内标物的质量m i s。同时配两个样品,然后在离心机上以4 500 r/min的转速离心10 min,备用。
取上述离心后的上层清液1 μL注入色谱仪,待丙二醇流出后将柱温升至200 ℃,醇酯-12流出后再把柱温调至160 ℃,准备做下一个样品。典型色谱图如图3。

涂料中丙二醇测定谱图
按式(3)计算涂料中丙二醇的质量分数wi:

式中:wi——被测涂料中丙二醇的质量分数,g/g;
R i——丙二醇的相对质量校正因子;
mis——内标物的质量,g;
ms——被测涂料的质量,g;
A is——内标物的峰面积;
A i——丙二醇的峰面积。
1.1.5.2.4 涂料中丙二醇(即有机挥发分)的测定结果
对两种型号、不同批次的6个涂料样品进行了分析,测定结果如表1。

1.2 水分含量的测定——气相色谱法
1.2.1 材料和试剂
载气:高纯氢;
蒸馏水:符合GB/T6682中三级水的要求;
稀释剂:二甲基甲酰胺(DMF),AR;
内标物:异丙醇,AR;
内标稀释剂:由二甲基甲酰胺(D M F)和异丙醇配制而成;
1.2.2 仪器设备
G C-7890T气相色谱仪(上海天美仪器有限公司);其他同1.1.2。
1.2.3 色谱条件
进样(气化)温度:200 ℃;
检测器:T C D,温度200 ℃,量程(桥电流)150mA;
色谱柱:柱长1 m,外径3 m m,装填177~250μ m(60~80目)的G D X-102(高分子多孔微球)不锈钢柱;
柱温:固定柱温130 ℃;
载气流速:30~40 mL/min。
1.2.4 测试步骤
1.2.4.1 内标稀释剂配制
于100 mL配样瓶中,称取60 mLDMF(约58 g)密封,准确称量。然后用注射器加入5.5 m L异丙醇(约5 g),准确称量,摇匀备用,并计算出异丙醇的质量分数wis。
1.2.4.2 标样的配制
于10 m L配样瓶中准确称取0.2 g蒸馏水,用10m L注射器抽取4 m L内标稀释剂,注入配样瓶中,称准至0.1 mg,标样中异丙醇的质量m i按式(4)计算:
mi= m内×mis (4)
式中:mi——异丙醇的质量,g;
m内——内标稀释剂的质量,g;
mis——异丙醇的质量分数,g/g。
1.2.4.3 内标稀释剂中水分测定,即A 0测定
因为D M F及异丙醇中均含有一定量的水分,必须精确测出与其相当的峰面积A 0,从以后的计算中扣除,否则使测定结果偏高。
测定操作:先开始采集数据,然后取1 μ L内标稀释剂注入色谱仪,待异丙醇完全流出后(约2m i n),点击“停止采集”,保存数据。然后将柱温升高至200 ℃,待D M F完全流出后,再把柱温调至130 ℃,准备做下一次测定。记录水的峰面积A 0,至少测定3次以上,然后取平均值。
1.2.4.4 水的相对质量校正因子R w的测定
按照测定A 0的操作,取1 μ L标样(1.2.4.2)注入色谱仪中。按式(5)计算水的相对质量校正因子R w:

式中:R w——水的相对质量校正因子;
mw——水的质量,g;
mi——异丙醇的质量,g;
Ai——异丙醇的峰面积;
A w——水的峰面积;
A0——内标稀释剂中水的峰面积。
1.2.4.5 样品分析
将样品充分摇匀,于配样瓶中加入10粒玻璃珠,准确称取0.6~0.8 g样品,用注射器加入4 m L内标稀释剂,准确称其质量。按式(4)计算内标稀释剂中异丙醇的质量m i。同时配制两个样品,然后用力摇动配样瓶至样品充分分散,在4 500 r/min的离心机上离心30 min至沉淀完全。
按(1.2.4.3)中测定A0的操作,取1μ L离心后的上层清液注入色谱仪中,典型色谱图如图4。

涂料中水分含量ww测定谱图
按式(6)计算样品中的水分含量:
式中:ww——涂料中水的质量分数,g/g;
R w——水的相对质量校正因子;
mi——异丙醇的质量,g;
ms——涂料的质量,g;
A i——异丙醇的峰面积;
A w——样品中水的峰面积;
A 0——内标稀释剂中水的峰面积。
1.2.4.6 水分含量的测定结果
两个不同型号涂料水分含量的测定结果如表2。

涂料中水分含量的测定结果及相对偏差
1.2.4.7 两个不同型号涂料中V O C的含量及测量相对偏差
涂料中VOC的含量按式(7)计算
式中:ρ (VOC)——涂料中VOC含量,g/L;
ww——涂料中水的质量分数,g/g;
wi——涂料中丙二醇的质量分数,g/g;
ρ s——涂料密度,g/mL;
ρ w——水的密度,g/mL;
1 000——转换因子。
两个不同型号涂料中VOC的含量及测量相对偏差如表3。

涂料中VOC含量及相对偏差
2.1 结论
(1)G B18582-2008用毛细色谱法测定可挥发性有机物,提高了ρ(V O C)测量的精密度;烘干法测定可挥发性有机物,沸点高于250 ℃的有机物也包括在内,如醇酯-12,在105 ℃烘箱中1 h即全部挥发,使ρ(VOC)测定值偏高。
(2)本试验中采用固定柱温可提高检测速度,在各组分都能分开的情况下尽可能采用恒温,特别是水分含量的测定采用恒定柱温(130 ℃)测定一个样品最多5 min。采用程序升温如果仪器质量较差,基线波动会给测定带来误差。
(3)采用内标稀释剂,简化了操作,减少了称量次数,加快了分析速度;内标稀释剂比较稳定,例如用同样的内标稀释剂,不同的标样质量,在不同时间内测定水的相对质量校正因子,分别为0.660 5(2009年5月5日)0.665 0(6月9日),丙二醇的校正因子不同时间的测定结果为1.070(6月9日)和1.020(6月23日),结果都非常接近。
(4)通过对2种型号、6个批次涂料样品的测定,ρ(V O C)的最大相对偏差小于6%,远远低于标准中10%的要求。
2.2 讨论
(1)在G B18582-2008中,“挥发性有机化合物的含量”注1中明确指出以“g/L表示”,但在附录A中又表述成“本方法适用于VOC的含量大于或等于0.1%且小于或等于15%的涂料及其原料的测试”,“方法的检出限:2 g/L”单位也是“g/L”。在同一标准中,同一物质含量的表示单位是否应该统一?
(2)在V O C测定中,结果的计算是乘以被测物的相对质量校正因子,但在水分含量的计算中,又是除以水的相对质量校正因子。虽然对结果没有影响,但在同一个标准中,都是采用内标法测定, 计算公式是否应该统一?而且在色谱分析中用到校正因子的计算中,一般都是乘到分子上,很少见到除以校正因子的。
(3)在水的测定中,以氢作载气,检测温度240 ℃,桥电流为150 mA是不是太高了?一般规定在检测温度为250 ℃时,桥电流只能用100 m A。提高桥电流可提高检测灵敏度,但同时增大了仪器的不稳定性导致基线不稳定。对于微量分析可以牺牲点稳定性以提高灵敏度,但我们测定的是常量的水(30%~60%),应该以稳定性为主,灵敏度低点为好。再说检测器温度那么高,桥电流那么大,不利于保护热导丝。我们在试验中,检测温度200 ℃、桥电流150 m A,获得了较满意的结果。
(4)随着科学技术的发展,色谱工作站的应用,使峰面积的测量精度大大提高,即使在20世纪70~80年代,用气相色谱法测定高含量(浓度>30%)成分时,标准偏差也可以达到小于2%(文献[6])。我们测定了6个不同的样品最大相对偏差1.3%。实践证明气相色谱法是测定水性涂料中高含量水分的较好的方法,不像文献[2]所说会带入5%~10%的相对偏差。
(5)根据以往的经验用卡尔-费休法测定水性涂料中的水分误差较大。我们有一个水性木器涂料产品,同一个样品在某权威单位检测,第一次测定水分为42%,V O C严重超标,第二次测定结果为48%,V O C在规定范围之内。据文献[2]介绍,同一个样品3次测定的V O C分别为82.5、105.0和69.0,误差也很大,主要是水分测定不准造成的。我们认为产生误差的主要原因是水性涂料在卡尔-费休溶剂中很难分散。新标准为了解决分散问题,采用加20%的水稀释样品的办法,这样又带入稀释误差。加之滴定剂的浓度受环境湿度影响太大,在南方雨季,每天都要标定,非常不便。实践证明用该法测定水性涂料的水分不如气相色谱法。
三棵树以创新助推工业涂料国产化
涂料行业唯一!三棵树AI公益项目获艾菲国际金奖
三棵树 X 抖音《心动的房子》,明星携手顶尖设计师,开启“理想家”的美学探索
三棵树越南市场开拓:深耕本土化运营 打造东南亚发展新样本
工程机械销量上扬引涂料需求爆发,高性能+环保+国产化重塑行业格局
政策破局+需求牵引:中国特种涂料产业正迎来"自主突围"黄金窗口期!
中国涂层材料行业全景透视:市场规模同比增长2.62%背后的工业驱动与创新趋势!
纳米涂层赋能新能源产业破局!
80亿市场规模背后的绿色革命:无机涂料何以成为建材行业新宠?
防水行业从“增量红利”到“存量博弈”!
辐射制冷涂料以“智冷”技术开启涂料产业新增长极!
基建“三稳”赋能,为涂料行业带来哪些机会?
三棵树即将亮相2025广州设计周:以东方美学开启温情之旅
【月满东方 宅见未来】三棵树以“东方大宅”为笺,亮相2025广州设计周